Monarch WS30 Series Submersible Sewage Pump
Click to rate this post!
[Total: 0 Average: 0]
Monarch WS30 Series: Heavy-Duty Effluent Pumping Solutions
The Monarch Industries WS30 Series is a robust line of submersible effluent pumps engineered for residential and light commercial applications. Specifically designed for liquid effluent pumping, these pumps offer superior reliability for septic tank transfer and sump duty. Built with rugged Cast Iron Class 30 housings and motors, the WS30 series ensures long-term durability in harsh wastewater environments.
Whether you require the automatic convenience of the WS30AM or the control of a manual setup with the WS30M, this 1/3 HP workhorse delivers consistent performance.
Key Technical Highlights
- Solid Handling: Capable of handling spherical solids up to 11/16 inch.
- Impeller Design: Features a three-vane non-clog impeller made from Cast Iron Class 30, optimized for efficient flow.
- Oil-Filled Motor: The motor is housed in an oil-filled chamber with automatic overload protection and thermal reset (single-phase only) to prevent overheating.
- Capacitor Start: Designed for high torque on startup.
- Stainless Steel Shaft: The motor shaft is constructed from 416 stainless steel to resist corrosion.
- Seal Technology: Equipped with a mechanical carbon/ceramic type 6, 5/8 rotary seal.
Features
- Rugged Construction: Both the motor and pump housing are crafted from durable Cast Iron Class 30, providing excellent heat dissipation and physical strength.
- Non-Clog Impeller: The three-vane impeller design is specifically tuned for the WS30 to ensure reliable fluid movement without jamming.
- Advanced Sealing: Uses a high-quality mechanical carbon/ceramic seal to protect the internal motor components from water damage.
- Versatile Voltage Options: Available in standard voltage configurations to fit various residential setups.
- Mercury-Free Switch: The automatic models utilize an environmentally friendly mercury-free float switch.
- WS30: Piggyback style switch.
- WS50/WS100: SJE Pump Master switch.
- Easy Maintenance: Fasteners throughout the unit are made of stainless steel for easy serviceability.
Applications
The Monarch WS30 Series is ideal for the following applications:
- Septic Systems: Transferring effluent from septic tanks to drain fields.
- Liquid Effluent Pumping: Moving clear liquids or light solid suspension.
- Residential Dewatering: Managing water accumulation in basements or sumps.
- Light Commercial Waste: Suitable for small businesses requiring reliable sewage transfer.
Technical Specifications
Dimensions (Inches)
| Model | A | B | C | D | E | F | G |
|---|---|---|---|---|---|---|---|
| WS30 | 1.75 | 11.25 | 3.75 | 1 | 12.25 | 4.86 | 9.38 |
*Dimensions measured in inches
Performance Chart (Total Dynamic Head vs Capacity)
WS30 Specifics
| Model No. | RPM | Total Head in Feet (Capacity U.S. GPM) | Shut-Off Head (ft.) | ||||
|---|---|---|---|---|---|---|---|
| 5′ | 10′ | 15′ | 20′ | 25′ | |||
| WS30 | 1750 | 105 | 90 | 70 | 45 | 15 | 28 |
Submersible Effluent Pump Models & Specs
| Model No. | Order No. | HP | Volts | SFA | Phase | Solids Handling | Ship Wt. (lbs.) | Switch | Cord Length |
|---|---|---|---|---|---|---|---|---|---|
| WS30M | 620010 | 1/3 | 115 V | 10.4 | 1 | 11/16″ | 51 | Manual | 20′ |
| WS30AM | 620000 | 1/3 | 115 V | 10.4 | 1 | 11/16″ | 53 | Automatic | 20′ |
Repair Parts
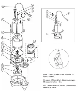
Repair Parts List – WS30 Series
| Ref. | Code # | Qty. | Description |
|---|---|---|---|
| 1** | 149413 | 2 | Screw #10 x 3/4 SST |
| 2** | 246331 | 1 | Clamp |
| 3** | 246330 | 1 | Adapter |
| 4 | 198080 | 1 | O-ring 1 3/8 I.D. |
| 5 | 225820 | 10 | Bolt 5/16″ UNC x 1-1/4″ SST |
| 6** | 255051 | 1 | Cable, 20 ft. |
| 7 | 493541 | 1 | Housing |
| 9 | 223151 | 1 | Motor 1/3 HP |
| 11 | 620581 | 2.1 | Insulating Oil |
| 12 | 137911 | 1 | Retaining Ring |
| 15 | 240160 | 1 | Mechanical Seal, 5/8″ I.D. |
| 16 | 493222 | 1 | Impeller (Type B & C) |
| 17 | 493553 | 1 | Volute |
| 26 | 206616 | 1 | Float Switch |
FAQs
What is the difference between the WS30 and WS50?
The primary differences are horsepower and impeller design. The WS30 is a 1/3 HP pump designed for lighter loads, whereas the WS50 is a 1/2 HP pump. Additionally, the WS30 uses a three-vane impeller, while the WS50 uses a two-vane design.
How much solids can the WS30 handle?
The Monarch WS30 series can pass spherical solids up to 11/16 inches in diameter, making it suitable for effluent and very light sewage applications.
Is the WS30AM automatic?
Yes, models designated with “AM” (such as WS30AM) come equipped with a mercury-free piggyback style float switch for automatic operation.
Does the pump use oil or water cooling?
The motor chamber is oil-filled (approximately 2.1 liters for the WS30) which provides continuous lubrication for the double ball bearings and acts as a coolant.
