Monarch ACGF-8SD Gas Engine Driven Pump & Repair Parts
Monarch ACGF-8SD Gas Engine Driven Pump
The Monarch ACGF-8SD Gas Engine Driven Pump is a robust and reliable solution for agricultural and industrial fluid transfer. Part of the ACGF-SD Series, this pump is powered by a dependable 8 HP Briggs and Stratton Intek engine, designed to deliver consistent and steady performance in demanding field conditions.
Engineered with a heavy-duty cast iron casing and impeller, the Monarch ACGF-8SD is built to withstand high-pressure applications including booster service, firefighting, and agricultural spraying. Its superior design includes a Viton and stainless steel mechanical seal, ensuring broad compatibility with a wide range of agricultural chemicals and offering excellent long-term resistance to corrosion.
Key Features & Benefits
- Reliable Power: Powered by an 8 HP Briggs & Stratton Intek engine, known for its durability and ease of maintenance. The engine features adjustable throttle controls and a 4-quart fuel tank.
- Chemical Resistance: The pump utilizes a high-quality Viton and stainless steel mechanical seal, making it ideal for spraying fertilizers, pesticides, and other agricultural chemicals.
- Durable Construction: Features a thick-walled cast iron casing and a gray iron enclosed impeller, designed to handle higher pressures and ensure long service life.
- Portability: Includes a built-in handle on the 8 HP model for easy transport and positioning on job sites.
- Secure Mounting: A stamped steel base protects the engine and pump components while providing a stable platform for mounting to trucks or skids.
- Standard Connections: Equipped with 2-inch NPT suction and discharge ports for versatile plumbing integration.
Applications
The Monarch ACGF-8SD is versatile and rugged, perfect for:
- Agricultural Spraying: Chemical-resistant seals allow for the safe handling of ag-chemicals.
- Fire Fighting: High-pressure capabilities make it suitable for emergency water suppression.
- Pressure Boosting: Increases line pressure for irrigation systems and washdown applications.
- Water Transfer: Efficiently moves large volumes of water for general utility use.
Technical Specifications
Pump & Engine Data
| Model No. | Item No. | HP | Suct. NPT | Disch. NPT | Engine Description | Low Oil Shut Off |
|---|---|---|---|---|---|---|
| ACGF-5SD | 615103 | 5 1/2 | 2″ | 2″ | Briggs & Stratton INTEK, with 3 qt. fuel tank. | NO |
| ACGF-5SDH | 615115 | 5 1/2 | 2″ | 2″ | Honda, with 4 qt. fuel tank. | YES |
| ACGF-8SD | 615109 | 8 | 2″ | 2″ | Briggs & Stratton INTEK, with 4 qt. fuel tank. | NO |
| ACGF-8SDH | 615117 | 9 | 2″ | 2″ | Honda, with 6 qt. fuel tank. | YES |
| ACGF-11SDH | 614170 | 11 | 2″ | 2″ | Honda GX340 | YES |
| ACGF-18SDH | 614172 | 18 | 2 1/2″ | 2 1/2″ | Honda GX610, electric start. | YES |
Performance Chart
| Model No. | 10 PSI | 20 PSI | 30 PSI | 40 PSI | 50 PSI | 60 PSI | 70 PSI | 80 PSI | 90 PSI | 100 PSI |
|---|---|---|---|---|---|---|---|---|---|---|
| ACGF-5 | – | 115 | 98 | 75 | 52 | 24 | – | – | – | – |
| ACGF-8 | – | 165 | 155 | 140 | 122 | 95 | 60 | 24 | – | – |
| ACGF-11 | 182 | 175 | 165 | 155 | 140 | 125 | 100 | 81 | 55 | 25 |
| ACGF-18 | 270 | 265 | 260 | 250 | 235 | 210 | 190 | 160 | 125 | 87 |
Dimensional Outline
| Model No. | Suction A (NPT) | Discharge B (NPT) | Drain C (NPT) | 4 Holes Dia. D | E | F | G | H | J | K | L | M | N | P | Q | R | S | U |
|---|---|---|---|---|---|---|---|---|---|---|---|---|---|---|---|---|---|---|
| ACGF-5SD | 2 | 2 | 1/4 | 0.41 | 3.68 | 4.82 | 4.28 | 16.50 | 4.10 | 5.70 | 11.40 | 15.90 | 0.28 | 10.80 | 16.40 | 16.30 | 11.00 | 4.92 |
| ACGF-8SD | 2 | 2 | 1/4 | 0.41 | 5.75 | 6.13 | 6.50 | 19.50 | 3.32 | 5.50 | 10.90 | 17.50 | 0.63 | 13.50 | 19.60 | 16.80 | 17.60 | 6.38 |
| ACGF-11SDH | 2 | 2 | 1/4 | 0.41 | 5.52 | 6.05 | 6.36 | 20.35 | 4.25 | 6.06 | 11.61 | 18.13 | .17 | 13.50 | 17.00 | – | 12.38 | 6.32 |
| ACGF-18SDH | 2 1/2 | 2 1/2 | 1/4 | 0.44 | – | – | 10.50 | 18.25 | 4.78 | 6.59 | 7.75 | 28.00 | 6.88 | 24.00 | 46.00 | – | 16.00 | 9.38 |
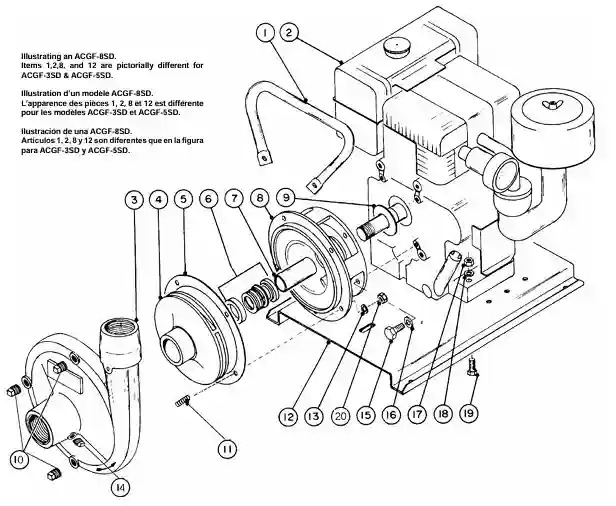
Repair Parts List: ACGF-SD Series
End Suction Centrifugal Pumps (Gas Engine Driven)
Model Key:
- a = ACGF-3SD
- b = ACGF-5SD, ACGF-5SDH
- c = ACGF-8SD, ACGF-8SDH
- d = 5ACGF-3SD, 5ACGF-3SDH
| Ref.# | Code # | a | b | c | d | Description |
|---|---|---|---|---|---|---|
| 1 | 433181 | 1 | 1 | 1 | Handle | |
| 1 | 437799 | 1 | 1 | 1 | Handle (irregular shape) | |
| 1 | 433180 | 1 | Handle | |||
| 1 | 433183 | 1 | Handle | |||
| 1 | 433185 | 1 | Handle | |||
| 1 | 433186 | 1 | 1 | Handle | ||
| 2 | 201915 | 1 | 1 | Engine B & S 5 HP | ||
| 2 | 201918 | 1 | Engine B & S 8 HP | |||
| 2 | 201950 | 1 | Engine B & S 3.5 HP | |||
| 2 | 202001 | 1 | 1 | Engine Honda 5.5 HP | ||
| 2 | 202002 | 1 | Engine Honda 9 HP | |||
| 3 | 437833 | 1 | 1 | Casing 1-1/4 x 1-1/2 | ||
| 3 | 437831 | 1 | 1 | 1 | Casing 1-1/2 x 2 | |
| 3** | 437839 | 1 | 1 | Casing 2 x 2 | ||
| 4 | 433171 | 1 | 1 | Impeller 5.3 dia. 5/8″ thread | ||
| 4 | 433142 | 1 | 1 | Impeller 6.1 dia. 5/8″ thread | ||
| 4 | 437788 | 1 | Impeller 6.4 dia. 1″ thread | |||
| 5* | 193917 | 1 | 1 | Gasket 1/32″ thick | ||
| 5* | 198996 | 1 | 1 | 1 | “O” Ring | |
| 6* | 240344 | 1 | 1 | 1 | Mechanical Seal 3/4 I.D. | |
| 6* | 240359 | 1 | Mechanical Seal 1-1/4 I.D. | |||
| 7 | 266000 | 1 | 1 | 1 | Sleeve 3/4 O.D. 1.6″ long | |
| 7 | 266005 | 1 | Sleeve 1-1/4 O.D. 2.1″ long | |||
| 8 | 437793 | 1 | 1 | Adapter | ||
| 8 | 437771 | 1 | 1 | Adapter | ||
| 8 | 437792 | 1 | Adapter | |||
| 9* | 191142 | 1 | 1 | Flinger | ||
| 9* | 191141 | 1 | 1 | Flinger | ||
| 9* | 194140 | 1 | Flinger | |||
| 9* | 191272 | 1 | Flinger | |||
| 10 | 185620 | 2 | 3 | 3 | 3 | Drain Plug 1/4″ NPT Galv. |
| 11 | 172981 | 4 | 4 | 4 | 4 | Stud 3/8 UNC x 1 1/2 SST |
| 12 | 414140 | 1 | 1 | 1 | Baseplate | |
| 12 | 414141 | 1 | 1 | Baseplate (with indentation) | ||
| 12 | 414143 | 1 | Baseplate | |||
| 12 | 414151 | 1 | 1 | Baseplate | ||
| 13 | 176230 | 4 | 4 | 4 | 4 | Spring washer 3/8 Zn. Pl. |
| 14 | 185910 | 1 | 1 | Pipe Plug 1/8″ | ||
| 15 | 225963 | 4 | 4 | 4 | Bolt 5/16 UNF x 3/4 SST | |
| 15 | 225971 | 2 | Bolt 5/16 UNC x 7/8 | |||
| 15 | 269690 | 2 | Bolt 5/16 UNF x 1 Zn. Pl. | |||
| 16 | 199001 | 4 | 4 | 4 | Seal washer TW 5/16″ | |
| 16 | 176220 | 4 | 8 | 4 | Spring washer 5/16 Zn. Pl. | |
| 17 | 227820 | 4 | 4 | 4 | 4 | Nut 5/16 UNC Zn. Pl. |
| 18 | 174990 | 4 | Spring washer 5/16 Zn. Pl. (Honda only) | |||
| 18 | 176220 | 4 | 4 | 8 | 4 | Spring washer 5/16 Zn. Pl. |
| 19 | 226000 | 4 | 4 | 4 | 4 | Bolt 5/16 UNC x 1-1/2 Zn. Pl. |
| 19 | 226010 | 4 | Bolt 5/16 UNC x 1-3/4 Zn. Pl. | |||
| 20 | 227830 | 4 | 4 | 4 | 4 | Nut 3/8 Zn. Pl. |
Frequently Asked Questions
What specific engine comes with the Monarch ACGF-8SD?
The ACGF-8SD is equipped with an 8 HP Briggs & Stratton INTEK gasoline engine.
Does the ACGF-8SD have a Low Oil Shut Off feature?
No, the ACGF-8SD model (Briggs & Stratton) does not include a Low Oil Shut Off feature. This feature is available on the Honda-powered “H” models.
What size are the ports on this pump?
This pump features 2-inch NPT threaded connections for both suction and discharge.
Is this pump suitable for fertilizer application?
Yes, the pump is designed with a Viton and stainless steel mechanical seal, which provides excellent resistance to fertilizers and other agricultural chemicals.
