Monarch ACGF-18SDH Gas Engine Driven Pump & Repair Parts
Monarch ACGF-18SDH Gas Engine Driven Pump
The Monarch ACGF-18SDH is the flagship model of the ACGF-SD Series, designed for professionals who demand high-pressure performance and unwavering reliability. Powered by an industrial-grade 18 HP Honda GX610 engine, this end-suction centrifugal pump is engineered to handle the toughest fluid transfer tasks, from agricultural spraying to emergency firefighting applications where consistent performance is critical.
Built with a heavy-duty cast iron casing and enclosed impeller, the Monarch ACGF-18SDH Gas Engine Driven Pump provides exceptional durability against wear and high operating pressures. Its chemical-resistant seals and robust stamped steel base make it the ideal choice for rigorous outdoor applications where reliability is non-negotiable.
Key Features & Benefits
- Premium Honda Power: Equipped with the internationally renowned Honda GX610 18 HP engine. It features a 12-volt electric start for instant operation and a “Low Oil Shut Off” sensor to protect your investment.
- High-Pressure Performance: The heavy-duty cast iron construction is thick-walled to withstand significant pressure boosting, making it superior to standard aluminum pumps.
- Chemical Resistant Sealing: Features a high-quality Viton and Stainless Steel mechanical seal. This ensures excellent corrosion resistance, making the pump suitable for agricultural chemical applications.
- Optimized Impeller: The durable gray iron impeller utilizes an enclosed design, specifically engineered to maximize pressure output and efficiency.
- Rugged Mounting: A stamped steel base protects the pump and engine unit while facilitating firm, vibration-free mounting on vehicles or skids.
- Standard NPT Fittings: Comes with large 2-1/2″ NPT suction and discharge ports for high-volume flow.
Applications
The Monarch ACGF-18SDH is versatile and rugged, perfect for:
- Fire Fighting: High-pressure output for emergency water suppression.
- Agricultural Spraying: Compatible with many ag-chemicals due to Viton seals.
- Pressure Boosting: Increasing line pressure for irrigation or cleaning.
- Sprinkler Systems: Driving large-scale irrigation networks.
- Water Transfer: Moving large volumes of water efficiently.
Technical Specifications
Pump & Engine Data
| Model No. | Item No. | HP | Suct. NPT | Disch. NPT | Engine Description | Low Oil Shut Off |
|---|---|---|---|---|---|---|
| ACGF-5SD | 615103 | 5 1/2 | 2″ | 2″ | Briggs & Stratton INTEK, with 3 qt. fuel tank. | NO |
| ACGF-5SDH | 615115 | 5 1/2 | 2″ | 2″ | Honda, with 4 qt. fuel tank. | YES |
| ACGF-8SD | 615109 | 8 | 2″ | 2″ | Briggs & Stratton INTEK, with 4 qt. fuel tank. | NO |
| ACGF-8SDH | 615117 | 9 | 2″ | 2″ | Honda, with 6 qt. fuel tank. | YES |
| ACGF-11SDH | 614170 | 11 | 2″ | 2″ | Honda GX340 | YES |
| ACGF-18SDH | 614172 | 18 | 2 1/2″ | 2 1/2″ | Honda GX610, electric start. | YES |
Performance Chart
| Model No. | 10 PSI | 20 PSI | 30 PSI | 40 PSI | 50 PSI | 60 PSI | 70 PSI | 80 PSI | 90 PSI | 100 PSI |
|---|---|---|---|---|---|---|---|---|---|---|
| ACGF-5 | – | 115 | 98 | 75 | 52 | 24 | – | – | – | – |
| ACGF-8 | – | 165 | 155 | 140 | 122 | 95 | 60 | 24 | – | – |
| ACGF-11 | 182 | 175 | 165 | 155 | 140 | 125 | 100 | 81 | 55 | 25 |
| ACGF-18 | 270 | 265 | 260 | 250 | 235 | 210 | 190 | 160 | 125 | 87 |
Dimensional Outline
| Model No. | Suction A (NPT) | Discharge B (NPT) | Drain C (NPT) | 4 Holes Dia. D | E | F | G | H | J | K | L | M | N | P | Q | R | S | U |
|---|---|---|---|---|---|---|---|---|---|---|---|---|---|---|---|---|---|---|
| ACGF-5SD | 2 | 2 | 1/4 | 0.41 | 3.68 | 4.82 | 4.28 | 16.50 | 4.10 | 5.70 | 11.40 | 15.90 | 0.28 | 10.80 | 16.40 | 16.30 | 11.00 | 4.92 |
| ACGF-8SD | 2 | 2 | 1/4 | 0.41 | 5.75 | 6.13 | 6.50 | 19.50 | 3.32 | 5.50 | 10.90 | 17.50 | 0.63 | 13.50 | 19.60 | 16.80 | 17.60 | 6.38 |
| ACGF-11SDH | 2 | 2 | 1/4 | 0.41 | 5.52 | 6.05 | 6.36 | 20.35 | 4.25 | 6.06 | 11.61 | 18.13 | .17 | 13.50 | 17.00 | – | 12.38 | 6.32 |
| ACGF-18SDH | 2 1/2 | 2 1/2 | 1/4 | 0.44 | – | – | 10.50 | 18.25 | 4.78 | 6.59 | 7.75 | 28.00 | 6.88 | 24.00 | 46.00 | – | 16.00 | 9.38 |
*Dimensions measured in inches.
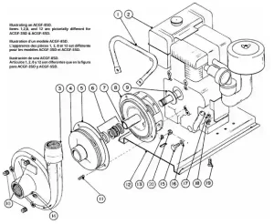
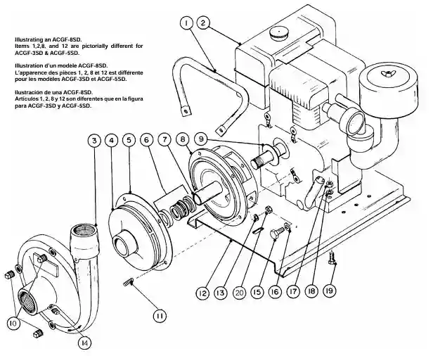
Repair Parts List: ACGF-SD Series
End Suction Centrifugal Pumps (Gas Engine Driven)
Model Key:
- a = ACGF-3SD
- b = ACGF-5SD, ACGF-5SDH
- c = ACGF-8SD, ACGF-8SDH
- d = 5ACGF-3SD, 5ACGF-3SDH
| Ref.# | Code # | a | b | c | d | Description |
|---|---|---|---|---|---|---|
| 1 | 433181 | 1 | 1 | 1 | Handle | |
| 1 | 437799 | 1 | 1 | 1 | Handle (irregular shape) | |
| 1 | 433180 | 1 | Handle | |||
| 1 | 433183 | 1 | Handle | |||
| 1 | 433185 | 1 | Handle | |||
| 1 | 433186 | 1 | 1 | Handle | ||
| 2 | 201915 | 1 | 1 | Engine B & S 5 HP | ||
| 2 | 201918 | 1 | Engine B & S 8 HP | |||
| 2 | 201950 | 1 | Engine B & S 3.5 HP | |||
| 2 | 202001 | 1 | 1 | Engine Honda 5.5 HP | ||
| 2 | 202002 | 1 | Engine Honda 9 HP | |||
| 3 | 437833 | 1 | 1 | Casing 1-1/4 x 1-1/2 | ||
| 3 | 437831 | 1 | 1 | 1 | Casing 1-1/2 x 2 | |
| 3** | 437839 | 1 | 1 | Casing 2 x 2 | ||
| 4 | 433171 | 1 | 1 | Impeller 5.3 dia. 5/8″ thread | ||
| 4 | 433142 | 1 | 1 | Impeller 6.1 dia. 5/8″ thread | ||
| 4 | 437788 | 1 | Impeller 6.4 dia. 1″ thread | |||
| 5* | 193917 | 1 | 1 | Gasket 1/32″ thick | ||
| 5* | 198996 | 1 | 1 | 1 | “O” Ring | |
| 6* | 240344 | 1 | 1 | 1 | Mechanical Seal 3/4 I.D. | |
| 6* | 240359 | 1 | Mechanical Seal 1-1/4 I.D. | |||
| 7 | 266000 | 1 | 1 | 1 | Sleeve 3/4 O.D. 1.6″ long | |
| 7 | 266005 | 1 | Sleeve 1-1/4 O.D. 2.1″ long | |||
| 8 | 437793 | 1 | 1 | Adapter | ||
| 8 | 437771 | 1 | 1 | Adapter | ||
| 8 | 437792 | 1 | Adapter | |||
| 9* | 191142 | 1 | 1 | Flinger | ||
| 9* | 191141 | 1 | 1 | Flinger | ||
| 9* | 194140 | 1 | Flinger | |||
| 9* | 191272 | 1 | Flinger | |||
| 10 | 185620 | 2 | 3 | 3 | 3 | Drain Plug 1/4″ NPT Galv. |
| 11 | 172981 | 4 | 4 | 4 | 4 | Stud 3/8 UNC x 1 1/2 SST |
| 12 | 414140 | 1 | 1 | 1 | Baseplate | |
| 12 | 414141 | 1 | 1 | Baseplate (with indentation) | ||
| 12 | 414143 | 1 | Baseplate | |||
| 12 | 414151 | 1 | 1 | Baseplate | ||
| 13 | 176230 | 4 | 4 | 4 | 4 | Spring washer 3/8 Zn. Pl. |
| 14 | 185910 | 1 | 1 | Pipe Plug 1/8″ | ||
| 15 | 225963 | 4 | 4 | 4 | Bolt 5/16 UNF x 3/4 SST | |
| 15 | 225971 | 2 | Bolt 5/16 UNC x 7/8 | |||
| 15 | 269690 | 2 | Bolt 5/16 UNF x 1 Zn. Pl. | |||
| 16 | 199001 | 4 | 4 | 4 | Seal washer TW 5/16″ | |
| 16 | 176220 | 4 | 8 | 4 | Spring washer 5/16 Zn. Pl. | |
| 17 | 227820 | 4 | 4 | 4 | 4 | Nut 5/16 UNC Zn. Pl. |
| 18 | 174990 | 4 | Spring washer 5/16 Zn. Pl. (Honda only) | |||
| 18 | 176220 | 4 | 4 | 8 | 4 | Spring washer 5/16 Zn. Pl. |
| 19 | 226000 | 4 | 4 | 4 | 4 | Bolt 5/16 UNC x 1-1/2 Zn. Pl. |
| 19 | 226010 | 4 | Bolt 5/16 UNC x 1-3/4 Zn. Pl. | |||
| 20 | 227830 | 4 | 4 | 4 | 4 | Nut 3/8 Zn. Pl. |
Frequently Asked Questions
What engine does the Monarch ACGF-18SDH use?
The ACGF-18SDH is powered by an 18 HP Honda GX610 gas engine, featuring a 12-volt electric start system.
Does this pump have a low oil shut-off?
Yes, the ACGF-18SDH is equipped with a Low Oil Shut Off sensor to prevent engine damage in case of low oil levels.
What are the suction and discharge port sizes?
This model features large 2-1/2 inch NPT ports for both suction and discharge.
Can this pump handle chemicals?
Yes, the ACGF series is equipped with Viton and stainless steel mechanical seals, providing excellent corrosion resistance for many agricultural chemical applications.
