Monarch B50S Utility Transfer Pump & Repair Parts
Monarch B50S Utility Transfer Pump and Genuine Repair Parts
Monarch B50S Utility Transfer Pump is engineered for professionals and homeowners who demand reliability in water transfer applications. Constructed from durable cast iron, this self-priming unit is built to withstand rigorous use while delivering exceptional performance. Whether you are draining a pool, emptying a sump, or transferring water for irrigation, the Monarch B50S provides the power and longevity required for the job.
Model 621814 is designed with simplicity and efficiency in mind. It features a built-in suction check valve that ensures rapid self-priming once the casing is initially filled with water. Powered by a high-performance 1/2 HP electric motor, the Monarch B50S Utility Transfer Pump exceeds standard NEMA service factors, offering dual-compartment reliability and industry-standard configuration for dependable everyday operation.
Key Features
- Rugged Construction: The casing is manufactured from heavy-duty cast iron, featuring a large chamber that facilitates rapid self-priming and long-term durability.
- High-Performance Motor: Equipped with a reliable 1/2 HP industry-standard motor. It boasts a service factor higher than NEMA standards and includes an 8-foot power cord for easy connectivity.
- Self-Priming Design: Includes a built-in suction check valve designed to prime itself quickly after the initial fill, ensuring immediate operation.
- Semi-Open Impeller: The cast iron semi-open impeller is designed to handle water efficiently while resisting clogging.
- Ready to Use: The package includes a carrying handle, power cord, and a garden hose adapter for immediate setup.
- Dual Voltage Capability: Electrical characteristics allow for 115/230V capacitor start operation (factory settings apply).
Common Applications
The Monarch B50S is a versatile “workhorse” pump suitable for a wide variety of water transfer tasks, including:
- Draining flooded basements or construction sites.
- General water transfer and dewatering.
- Lawn and garden sprinkler systems.
- Sump and sewage water removal (clean liquids).
- Utility maintenance and emergency water removal.
Technical Specifications
Below are the detailed performance metrics and dimensional specifications for the Monarch B50S.
Performance Chart
| Model No. | RPM | HP | Total Head in Feet (Capacities in U.S. GPM) | |||||||
|---|---|---|---|---|---|---|---|---|---|---|
| 20 | 30 | 40 | 50 | 60 | 70 | 80 | 90 | |||
| B50S | 3450 | 1/2 | 45 | 31 | 16 | 0 | – | – | – | – |
Electric Motor Driven Specifications
| Model No. | Order No. | HP | Suct. NPT | Disch. NPT | Electrical Characteristics | Ship Wt. (lbs.) |
|---|---|---|---|---|---|---|
| *B50S | 621814 | 1/2 | 1 1/4″ | 1 1/4″ | 1/60/115/230 Capacitor start | 43 |
Dimensions
| Model | Length | Width | Height | HS | Ship Wt. (lbs.) |
|---|---|---|---|---|---|
| B50S | 7.5 | 9.87 | 7.62 | 4.3 | 43 |
*Dimensions measured in inches.
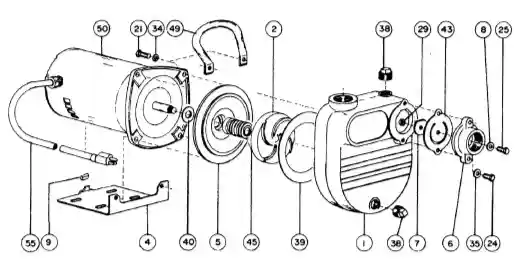
Repair Parts List (B50S Series)
| Ref. # | Code # | Qty. (A) | Description |
|---|---|---|---|
| 1 | 438492 | 1 | Casing – yellow |
| 2 | 438105 | 1 | Impeller |
| 4 | 438245 | 1 | Mounting Bracket |
| 5 | 438241 | 1 | Seal Plate |
| 6 | 438415 | 1 | Check Valve |
| 7 | 238330 | 1 | Top Weight |
| 8 | 175000 | 1 | Washer 1/4 ID |
| 9 | 246801 | 1 | End Cap |
| 21 | 120030 | 4 | Bolt 3/8 UNC x 1 1/2 |
| 24 | 119780 | 2 | Bolt 5/16 UNC x 1 |
| 25 | 225720 | 1 | Bolt 1/4 UNC x 5/8 |
| 29 | 227810 | 1 | Nut 1/4 UNC |
| 34 | 176540 | 4 | Spring Washer 3/8 |
| 35 | 174220 | 2 | Aluminum Washer |
| 38 | 185640 | 2 | Pipe Plug 1/2 NPT |
| 39 | 193920 | 1 | Gasket |
| 40 | 191790 | 1 | Flinger |
| 43 | 194390 | 1 | Valve Rubber |
| 45 | 240104 | 1 | Seal 5/8 Type A |
| 45 | 240316 | 1 | Seal 5/8 Type B |
| 49 | 438247 | 1 | Handle |
| 50 | 204073 | 1 | Electric Motor 1/2 HP |
| 55 | 224965 | 1 | Cord Assy. |
