Monarch MJC Series Self Priming Convertible Jet Pump & Repair Parts
Monarch MJC Series Self Priming Convertible Jet Pump and Repair Parts
Monarch MJC Series Self Priming Convertible Jet Pump is a premium line of self-priming convertible jet pumps designed to provide reliable pressurized fresh water to rural homes, farms, and cabins. Engineered for versatility, these pumps can be configured for both shallow and deep well applications, making them an ideal solution for water supplies where the vertical distance does not exceed 90 feet.
Built with a heavy-duty cast iron casing and powered by a high service factor motor, the Monarch MJC Series Self Priming Convertible Jet Pump ensures years of leak-free operation and superior durability. Whether you need the 1/2 HP MJC-50, the 3/4 HP MJC-75, or the 1 HP MJC-100, this series delivers consistent performance for modern rural living conditions.
Key Features
The MJC Series is packed with industrial-grade features designed for longevity and ease of maintenance:
- Rugged Construction: Features a cast iron casing and seal plate, providing exceptional durability and long life even in harsh environments.
- Precision Engineering: Equipped with a precision-engineered thermoplastic impeller, diffuser, nozzle, and venturi for maximum efficiency and corrosion resistance.
- High-Performance Motor: Powered by an A.O. Smith dual compartment motor with a service factor higher than standard NEMA requirements. It features a dual voltage (115/230V) design, a stainless steel motor shaft, and dual ball bearings.
- Reliable Components: Includes a Square D pressure switch preset at 30-50 PSI and a John Crane type 6 mechanical seal to ensure leak-free operation.
- Maintenance Friendly: Fully serviceable design with a two-year over-the-counter warranty.
- Complete Package: A pressure gauge is included on all models, and a deep well venturi is supplied loose in the carton for flexible installation.
Applications
The Monarch MJC Series is designed for a wide range of residential and agricultural water transfer needs:
- Deep Well Installation: Ideal for wells up to 90 feet deep using the included deep well injector assembly.
- Shallow Well Installation: The injector can be attached directly to the pump casing for high-performance shallow well applications.
- Residential Water Supply: Perfect for supplying pressurized water to rural homes, cottages, and cabins.
- Farm & Agriculture: Reliable water source for general farm use and livestock watering.
Performance Data
| Pump Model | Motor HP | Configuration | Total Suction Lift (ft.) | Pump Capacity in U.S. GPM Discharge Pressure in PSI |
Maximum Pressure | ||||||||
|---|---|---|---|---|---|---|---|---|---|---|---|---|---|
| 20 | 25 | 30 | 35 | 40 | 45 | 50 | 55 | 60 | |||||
| MJC-50 | 1/2 | Shallow | 5 | 11.1 | 11.0 | 10.9 | 10.8 | 10.7 | 9.2 | 7.4 | 5.9 | 4.5 | 76.2 |
| 15 | 8.1 | 8.0 | 7.9 | 7.8 | 7.7 | 7.3 | 5.9 | 4.4 | 3.1 | 71.7 | |||
| 25 | 4.8 | 4.8 | 4.7 | 4.7 | 4.6 | 4.5 | 4.4 | 3.2 | 1.9 | 67.5 | |||
| Deep | 20 | – | 10.7 | 9.2 | 7.8 | 6.5 | 5.4 | 4.5 | 3.6 | 2.9 | 85.0 | ||
| 50 | – | 6.8 | 5.8 | 4.8 | 4.0 | 3.2 | 2.4 | 1.8 | 1.3 | 72.0 | |||
| 80 | – | 4.1 | 3.4 | 2.8 | 2.2 | 1.6 | 1.0 | 0.4 | – | 59.0 | |||
| MJC-75 | 3/4 | Shallow | 5 | 18.2 | 17.9 | 17.7 | 16.6 | 14.3 | 12.0 | 9.7 | 7.4 | 5.1 | 71.0 |
| 15 | 12.7 | 12.5 | 12.4 | 12.2 | 12.0 | 9.9 | 7.5 | 5.3 | 3.0 | 66.7 | |||
| 25 | 7.7 | 7.5 | 7.4 | 7.1 | 6.9 | 6.7 | 5.0 | 3.0 | 1.0 | 62.4 | |||
| Deep | 20 | – | 11.5 | 9.8 | 7.6 | 6.8 | 5.7 | 4.7 | 3.8 | 3.0 | 86.0 | ||
| 50 | – | 7.4 | 6.1 | 5.1 | 4.1 | 3.3 | 2.5 | 1.9 | 1.3 | 73.0 | |||
| 90 | – | 4.5 | 3.5 | 2.8 | 2.1 | 1.5 | 1.0 | 0.5 | – | 60.0 | |||
| MJC-100 | 1 | Shallow | 5 | 20.2 | 20.1 | 19.9 | 19.5 | 16.7 | 13.9 | 11.1 | 8.3 | 5.6 | 71.0 |
| 15 | 14.5 | 14.3 | 14.1 | 13.8 | 13.6 | 11.4 | 8.7 | 6.0 | 3.3 | 66.7 | |||
| 25 | 9.1 | 8.9 | 8.8 | 8.7 | 8.6 | 8.5 | 6.0 | 3.6 | 1.2 | 62.1 | |||
| Deep | 20 | – | 12.8 | 10.5 | 8.7 | 7.3 | 6.6 | 5.2 | 4.4 | 3.6 | 87.0 | ||
| 50 | – | 8.4 | 7.2 | 6.0 | 5.0 | 4.2 | 3.4 | 2.6 | 1.9 | 74.0 | |||
| 90 | – | 4.3 | 3.4 | 2.7 | 1.9 | 1.8 | 0.7 | – | – | 56.7 | |||
Technical Specifications
| Model No. | Item No. | HP | SF | Amps | Voltage | Ship Wt. (lbs.) | Description |
|---|---|---|---|---|---|---|---|
| MJC-50 | 602032 | 1/2 | 1.90 | 9.0/4.5 | 115/230 | 36 | Pump – motor assembly with deep well injector, includes gauge. |
| MJC-75 | 602033 | 3/4 | 1.65 | 14.8/7.4 | 115/230 | 37 | |
| MJC-100 | 602034 | 1 | 1.65 | 19.2/9.6 | 115/230 | 39 |
Dimensions & Cross Reference
| Monarch | Little Giant | Suction NPT | Discharge NPT | A | B | C | D | E | Ship Wt (lbs) | ||
|---|---|---|---|---|---|---|---|---|---|---|---|
| Item No. | Model No. | Item No. | Model No. | ||||||||
| 602032 | MJC-50 | 558281 | JPC-050-C | 1 1/4″ | 1″ | 5.38 | 18.78 | 9.0 | 10.0 | 4.3 | 36 |
| 602033 | MJC-75 | 558282 | JPC-075-C | 1 1/4″ | 1″ | 5.38 | 19.58 | 9.0 | 10.0 | 4.3 | 37 |
| 602034 | MJC-100 | 558283 | JPC-100-C | 1 1/4″ | 1″ | 5.38 | 20.58 | 9.0 | 10.0 | 4.3 | 38 |
*Dimensions measured in inches
Shallow Well Jet Pump & Tank Packaged Systems
| Model | Item No. | HP | SF | Amps | Voltage | Ship Wt. (lbs.) | Description |
|---|---|---|---|---|---|---|---|
| MJC-50/PC25S | 602058 | 1/2 | 1.65 | 9.0/4.5 | 115/230 | 64 | Jet pump with 8.5 gallon Flexcon tank, includes gauge. |
| Model | HP | Tank (Gal.) | Length | Width | Height | Ship Wt. (lbs) |
|---|---|---|---|---|---|---|
| MJC-50/PC25S | 1/2 | 8.5 | 25″ | 13″ | 29″ | 57 |
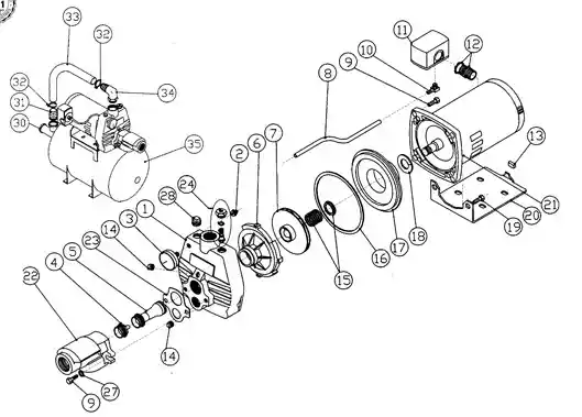
Monarch MJC Series Repair Parts
| Ref. # | Code # | 1/3HP | 1/2HP | 3/4HP | 1HP | Description |
|---|---|---|---|---|---|---|
| 1 | 469307 | 1 | 1 | 1 | 1 | Casing – Blue |
| 2 | 200971 | 2 | 2 | 2 | 2 | Mini Barb fitting, Male |
| 3 | 633652 | 1 | 1 | 1 | 1 | Pressure Gauge |
| 4 | 247292 | 1 | 1 | Nozzle | ||
| 469022 | 1 | Nozzle (Shallow Well) | ||||
| 247294 | 1 | 1 | Nozzle (Deep Well) | |||
| 5 | 247300 | 1 | Venturi (Shallow Well) | |||
| 247285 | 1 | Venturi (Shallow Well) | ||||
| 247288 | 1 | 1 | Venturi (Shallow Well) | |||
| 247281 | 1 | Venturi (Deep Well) | ||||
| 247261 | 1 | Venturi (Deep Well) | ||||
| 247300 | 1 | 1 | Venturi (Deep Well) | |||
| 6* | 246233 | 1 | 1 | 1 | 1 | Diffuser |
| 7* | 469095 | 1 | Impeller | |||
| 246251 | 1 | Impeller | ||||
| 246236 | 1 | 1 | Impeller | |||
| 8 | 467820 | 1 | 1 | 1 | 1 | Tube, Polyethylene |
| 9 | 120020 | 4 | 4 | 4 | 4 | Bolt, 3/8 UNC x 1-1/4 |
| 10 | 200990 | 1 | 1 | 1 | 1 | Minibarb Elbow |
| 11 | 224228 | 1 | 1 | 1 | 1 | Pressure Switch |
| 12 | 112511 | 1 | 1 | 1 | 1 | Conduit Nipple 1/2″ |
| 13 | 246801 | 1 | 1 | 1 | 1 | End Cap |
| 14 | 185620 | 2 | 2 | 2 | 2 | Plug, 1/4 NPT |
| 15* | 240104 | 1 | 1 | 1 | 1 | Seal, 5/8 Dia. |
| 16* | 192785 | 1 | 1 | 1 | 1 | Gasket, Pump |
| 17 | 469147 | 1 | 1 | 1 | 1 | Seal Plate |
| 18 | 191790 | 1 | 1 | 1 | 1 | Flinger |
| 19 | 120030 | 2 | 2 | 2 | 2 | Bolt, 3/8 UNC x 1-1/2 |
| 20 | 469111 | 1 | 1 | 1 | 1 | Base Plate |
| 21 | 204071 | 1 | Mot. 1/3 HP 115V Split PH. | |||
| 204086 | 1 | Mot. 1/2HP 115V Split PH. | ||||
| 204073 | 1 | Mot. 1/2HP 115/230V Cap | ||||
| 204125 | 1 | Mot. 3/4 HP 115/230V Cap | ||||
| 204154 | 1 | Mot. 1 HP 115/230V Cap | ||||
| 22 | 424705 | 1 | 1 | 1 | 1 | Injector body – blue |
| 23 | 191731 | 1 | 1 | 1 | 1 | Gasket, Injector |
| 24 | 201415 | 1 | 1 | 1 | 1 | Valve assembly |
| 27 | 174986 | 2 | 2 | 2 | 2 | Washer, 3/8 |
| 28 | 185640 | 1 | 1 | 1 | 1 | Plug, 1/2 NPT |
| N/S | 697150 | 1 | Minor Overhaul Kits (Include; 7, 15 & 16) | |||
| 697151 | 1 | |||||
| 697152 | 1 | 1 | ||||
| 697154 | 1 | Major Overhaul Kits (Include; 6, 7, 15 & 16) | ||||
| 697155 | 1 | |||||
| 697156 | 1 | 1 |
System Parts
Models: a = MJC-50/JR15S, b = MJC-50/JR25S
| Ref. # | Code # | a | b | Description |
|---|---|---|---|---|
| 30 | 189200 | 1 | 1 | Tee, 3/4″ x 3/4″ x 3/4″ |
| 31 | 179200 | 1 | 1 | 3/4″ NPT x 1″ Hose Adaptor |
| 32 | 116710 | 2 | 2 | Clamp |
| 33 | 469222 | 1 | Hose-Water 1″ x 24″ Long | |
| 33 | 469223 | 1 | Hose-Water 1″ x 26″ Long | |
| 34 | 189201 | 1 | 1 | 90 Degree Elbow 1″ NPT x 1″ Hose Adaptor |
| 35 | 604510 | 1 | Precharged Tank 4.5 U.S.gal. | |
| 35 | 604512 | 1 | Precharged Tank 8.5 U.S.gal. |
