Monarch TSP Series Gas Powered Self Priming Trash Pump & Repair Parts
Monarch TSP Series: Heavy-Duty Engine Driven Trash Pumps
The Monarch TSP Series Gas Powered Self-Priming Trash Pump represents the pinnacle of portable durability and performance. Designed for rigorous industrial, agricultural, and construction applications, the Monarch TSP series offers the strength of cast ductile iron construction while remaining comparable in weight to aluminum alternatives. Whether you are managing hydro-seeding applications or pumping debris-filled water, the Monarch TSP Series is engineered to deliver reliable results.
Monarch TSP Series are available in 2-inch, 3-inch, and 4-inch sizes, these pumps are powered by industry-leading Honda and Vanguard gasoline engines. The rugged design allows these units to handle spherical solids up to half the diameter of the suction hose, ensuring clog-free operation in the toughest environments.
Key Features and Benefits
- Robust Construction: The pump casing, diffuser, and front cover are built from rugged ductile iron for high impact resistance and long operational life.
- Superior Priming: Fast self-priming capabilities make this series ideal for quick deployment. The dedicated Priming Plug enables priming without removing the discharge hose.
- High-Efficiency Impeller: Features a semi-open cast gray iron, two-vane type impeller designed for higher efficiency and capable of handling spherical solids.
- Advanced Seal System: Equipped with a Siliconized Graphite seal that is corrosion and abrasion-resistant. It is water-lubricated, requires no maintenance, and is mounted on a replaceable sleeve to protect the engine shaft.
- User-Friendly Maintenance: The front cover features easy removal via four wing nuts—no wrenches required—allowing for quick cleanouts.
- Integrated Check Valve: Built-in with a threaded NPT suction inlet to prevent siphoning and facilitate faster priming.
- Engine Options: Powered by reliable Honda (GX series) or Vanguard engines with Low Oil Shut-off sensors.
- Durable Frame: Includes a sturdy welded roll frame (standard on 2″ and 3″ models) for protection and portability.
Common Applications
- Construction: Dewatering excavation sites and trenches.
- Agriculture: High-volume water transfer and irrigation.
- Hydro-Seeding: Efficiently pumping slurry mixtures.
- Emergency Management: Flood control and sewage bypass.
- General Industry: Sump pumping and waste water management.
Technical Specifications & Performance
The following table details the performance capabilities and specifications for the Monarch TSP Series TSP-2HRF, TSP-3HRF, and TSP-4V models.
| Model No. | Order No. | Suct. & Disch. | Solids Handling | Flow Capacity U.S. GPH | Total Head (ft.) | Max. Suct. Lift (ft.) | Engine | HP | Fuel Tank Cap. (gal.) | Run Time (hrs.) | Ship Wt. (lbs.) | Low Oil Shut-off |
|---|---|---|---|---|---|---|---|---|---|---|---|---|
| TSP-2HRF | 611107 | 2″ | 1 1/8″ | 11,500 | 100 | 25 | Honda | 5 1/2 | 0.80 | 1.65 | 107 | YES |
| TSP-3HRF | 611108 | 3″ | 1 1/2″ | 20,000 | 75 | 25 | Honda | 9 | 1.30 | 2.2 | 151 | YES |
| TSP-4V* | 611123 | 4″ | 2″ | 37,000 | 90 | 25 | Vanguard | 18 | 2.2 | 1.5 | 355 | NO |
Dimensions (Inches)
| Model | HP | HA | HB | HC | HJ | HM | ZY | Y | A | C | E | F |
|---|---|---|---|---|---|---|---|---|---|---|---|---|
| TSP-2HRF | 5 1/2 | – | – | – | – | – | – | – | 20.40 | 25.00 | 21.50 | 11.50 |
| TSP-3HRF | 9 | – | – | – | – | – | – | – | 20.40 | 25.00 | 21.50 | 11.50 |
| TSP-4V | 18 | 16.18 | 25.00 | 32.00 | 17.81 | 24.00 | 20.09 | 12.00 | – | – | – | – |
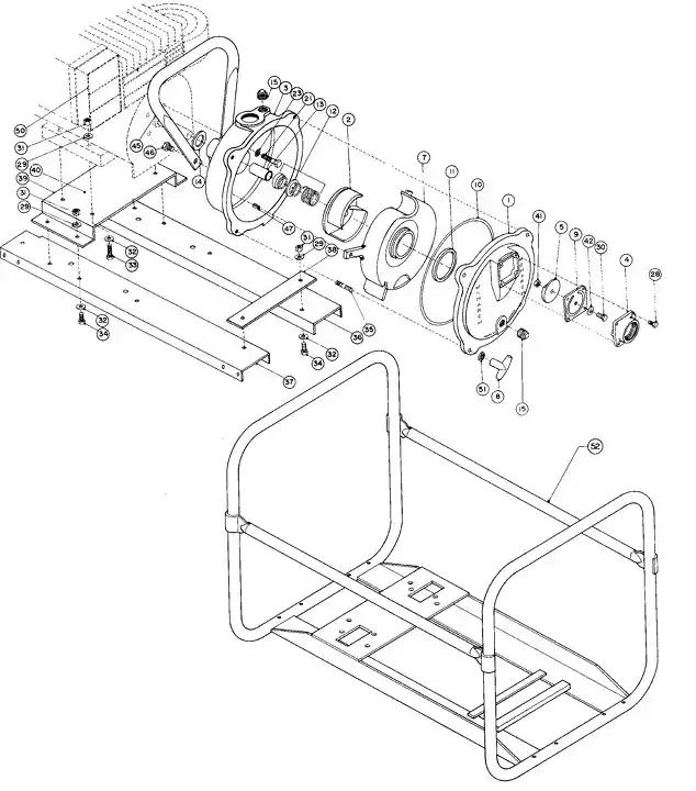
Monarch TSP Series Repair Parts List: TSP-2 Series (TSP-2, 2RF, 2H, 2HRF)
Use the table below to identify replacement parts for the 2-inch series models.
| Ref.# | Code # | TSP-2 | TSP-2RF | TSP-2H | TSP-2HRF | Description |
|---|---|---|---|---|---|---|
| 1 | 465031 | 1 | 1 | 1 | 1 | Front Casing |
| 2 | 465001 | 1 | 1 | 1 | 1 | Impeller |
| 3 | 465021 | 1 | 1 | 1 | 1 | Rear Casing |
| 4 | 414730 | 1 | 1 | 1 | 1 | Check Valve Cover |
| 5* | 014740 | 1 | 1 | 1 | 1 | Top Weight |
| 7 | 465011 | 1 | 1 | 1 | 1 | Volute |
| 8* | 465053 | 4 | 4 | Butterfly nut-special | ||
| 465046 | 4 | 4 | Butterfly nut-special | |||
| 9* | 191260 | 1 | 1 | 1 | 1 | Rubber Flapper |
| 10* | 198186 | 1 | 1 | 1 | 1 | O-ring #276 Duro 70 |
| 11* | 199700 | 1 | 1 | 1 | 1 | Seal |
| 12* | 240394 | 1 | 1 | 1 | 1 | Mechanical Seal MS-17 |
| 13* | 266000 | 1 | 1 | 1 | 1 | Sleeve |
| 14* | 191140 | 1 | 1 | Flinger | ||
| 191272 | 4 | 4 | Flinger | |||
| 15 | 185650 | 2 | 2 | 2 | 2 | Pipe Plug 3/4 NPT |
| 21 | 225962 | 4 | 4 | 4 | 4 | Bolt 5/16 UNF x 1-3/4 |
| 23 | 199007 | 4 | 4 | 4 | 4 | Washer Seal |
| 28 | 120010 | 4 | 4 | 4 | 4 | Bolt 3/8 UNC x 1 |
| 29 | 176530 | 10 | 4 | 10 | 4 | Spring Washer 5/16 |
| 30 | 225750 | 1 | 1 | 1 | 1 | Bolt 1/4 UNC x 1 |
| 31 | 128220 | 10 | 4 | 10 | 4 | Nut 5/16 UNC |
| 32 | 174440 | 10 | 4 | 10 | 4 | Washer 3/8 |
| 33 | 119810 | 4 | 4 | 4 | 4 | Bolt 5/16 UNC x 1-3/4 |
| 34 | 119760 | 6 | 6 | Bolt 5/16 UNC x 3/4 | ||
| 35 | 170630 | 4 | Stud 1/2 UNC x 1 1/2 | |||
| 35 | 170641 | 4 | 4 | 4 | Stud 1/2 UNC x 1 3/4 | |
| 36 | 465059 | 1 | 1 | L.H. Channel | ||
| 37 | 465058 | 1 | 1 | R.H. Channel | ||
| 38 | 465062 | 1 | 1 | Plate (pump) | ||
| 39 | 465067 | 1 | 1 | Plate (engine) | ||
| 40 | 176010 | 4 | 4 | Rubber Isolator | ||
| 41 | 227810 | 1 | 1 | 1 | 1 | Nut 1/4 UNC |
| 42* | 013150 | 1 | 1 | 1 | 1 | Bottom Weight |
| 45 | 465069 | 1 | 1 | Handle | ||
| 46 | 119980 | 2 | 2 | Bolt 3/8 UNC x 5/8 | ||
| 47* | 135471 | 2 | 2 | 2 | 2 | Pin-slotted 1/4 x 5/8 |
| 50 | 201913 | 1 | 1 | Engine 5HP B/S I/C | ||
| 202001 | 1 | 1 | Engine 5HP Honda | |||
| 51 | 176690 | 4 | 4 | 4 | 4 | Lockwasher 1/2 |
| 52 | 465086 | 1 | 1 | Roll Frame | ||
| 53 | 265080 | 1 | 1 | Strainer *not shown* |
Repair Parts List: TSP-3 Series (TSP-3, 3RF, 3D, 3H, 3HRF)
Replacement parts list for the 3-inch series models.
| Ref.# | Code # | TSP-3 | TSP-3RF | TSP-3D | TSP-3H | TSP-3HRF | Description |
|---|---|---|---|---|---|---|---|
| 1 | 465032 | 1 | 1 | 1 | 1 | 1 | Front Casing |
| 2 | 465002 | 1 | 1 | 1 | 1 | 1 | Impeller |
| 3 | 465022 | N/A | N/A | N/A | N/A | N/A | Rear Casing type A (see note a) |
| 465017 | 1 | 1 | 1 | 1 | 1 | Rear Casing type B | |
| 465093 | 1 | 1 | 1 | 1 | 1 | Rear Casing type C & D | |
| 4 | 465042 | 1 | 1 | 1 | 1 | 1 | Check Valve Cover |
| 5* | 438486 | 1 | 1 | 1 | 1 | 1 | Top Weight |
| 6* | 135159 | 2 | 2 | 2 | 2 | 2 | Pin 1/4 dia. x 1 SST type A & B |
| 172981 | 2 | 2 | 2 | 2 | 2 | Stud 3/8 UNC x 1-1/2 SST Type C&D | |
| 7 | 465012 | N/A | N/A | N/A | N/A | N/A | Volute type A (see note a) |
| 465014 | 1 | 1 | 1 | 1 | 1 | Volute type B | |
| 7 | 465005 | 1 | 1 | 1 | 1 | 1 | Volute type C & D |
| 8* | 465053 | 4 | 4 | Butterfly Nut-Special | |||
| 465046 | 4 | 4 | 4 | Butterfly Nut-Special | |||
| 9* | 190716 | 1 | 1 | 1 | 1 | 1 | Rubber Flapper |
| 10* | 197969 | 1 | 1 | 1 | 1 | 1 | O-ring #454 D70 |
| 11* | 199698 | 1 | 1 | 1 | 1 | 1 | Seal |
| 12* | 240395 | 1 | 1 | 1 | 1 | 1 | Mechanical Seal MS-95 |
| 13* | 266006 | 1 | 1 | 1 | 1 | 1 | Sleeve |
| 14* | 190648 | 1 | Flinger | ||||
| 191270 | 1 | 1 | 1 | 1 | Flinger | ||
| 15 | 185650 | 2 | 2 | 2 | 2 | 2 | Pipe Plug 3/4 NPT |
| 16 | 176500 | 2 | 2 | 2 | 2 | 2 | Lock Washer 3/8 SST type C&D |
| 17* | 128630 | 2 | 2 | 2 | 2 | 2 | Nut 3/8 UNC Brass type C & D |
| 21* | 164631 | 4 | 4 | 4 | 4 | 4 | Stud 3/8 UNC x 1-1/2 |
| 22 | 227830 | 4 | 4 | 4 | 4 | 4 | Nut 3/8 UNC |
| 23 | 176688 | 4 | 4 | 4 | 4 | 4 | Spring Lock Washer Int. 3/8 I.D. |
| 28 | 120000 | 4 | 4 | 4 | 4 | 4 | Bolt 3/8 UNC x 7/8 |
| 29 | 178530 | 10 | 4 | 2 | 10 | 4 | Spring Lock Washer Int. 5/16 I.D. |
| 30 | 225970 | 1 | 1 | 1 | 1 | 1 | Bolt 5/16 UNC x 7/8 Zn. pl |
| 31 | 128220 | 10 | 4 | 2 | 10 | 4 | Nut 5/16 UNC |
| 32 | 174440 | 10 | 4 | 2 | 10 | 4 | Washer 3/8 I.D. |
| 33 | 119810 | 4 | 4 | Bolt 5/16 UNC x 1-3/4 | |||
| 119820 | 4 | 4 | Bolt 5/16 UNC x 2 | ||||
| 34 | 119760 | 6 | 2 | 6 | Bolt 5/16 UNC x 3/4 | ||
| 35* | 170641 | 4 | 4 | 4 | 4 | 4 | Stud 1/2 UNC x 1-1/2 |
| 36 | 465059 | 1 | 1 | L.H. Channel | |||
| 415451 | 1 | L.H. Channel | |||||
| 37 | 465058 | 1 | 1 | R.H. Channel | |||
| 415452 | 1 | R.H. Channel | |||||
| 38 | 465062 | 1 | 1 | Pump End Support Plate | |||
| 465048 | 1 | Pump End Support Plate | |||||
| 39 | 465060 | 1 | 1 | Engine Support Plate | |||
| 465047 | 1 | Engine Support Plate | |||||
| 40 | 176010 | 4 | 4 | Rubber Isolator | |||
| 41 | 227820 | 1 | 1 | 1 | 1 | 1 | Nut 5/16 UNC Zn. pl. |
| 42 | 175530 | 1 | 1 | 1 | 1 | 1 | Washer 21/64 I.D. |
| 50 | 201919 | 1 | Engine 8HP B/S I/C | ||||
| 201929 | 1 | Engine 8HP B/S I/C | |||||
| 202050 | 1 | Engine Lombardini (see note b) | |||||
| 202002 | 1 | 1 | Engine 8HP Honda | ||||
| 51 | 176690 | 4 | 4 | 4 | 4 | 4 | Tooth Lock Washer Int. 1/2 I.D. |
| 80 | 128230 | 4 | Nut 3/8 UNC grade 5 | ||||
| 81 | 176540 | 4 | Spring Lock Washer 3/8 I.D. | ||||
| 82 | 128250 | 4 | Nut 1/2 UNC grade 5 | ||||
| 83 | 176560 | 4 | Spring Lock Washer 1/2 I.D. | ||||
| 84 | 174450 | 4 | Washer 7/16 I.D. | ||||
| 85 | 120000 | 4 | Bolt 3/8 UNC x 7/8 | ||||
| 86 | 174470 | 4 | Washer 7/16 I.D. | ||||
| 87 | 120430 | 4 | Bolt 1/2 UNC x 1 | ||||
| 99 | 465086 | 1 | 1 | Roll Frame Weldment | |||
| N/S | 456065 | 1 | Handle | ||||
| N/S | 433184 | 1 | Handle | ||||
| N/S | 265090 | 1 | 1 | 1 | 1 | 1 | Strainer |
Monarch TSP Series Repair Parts List: TSP-4 Series (TSP-4K, TSP-4VOFT, TSP4-18V)
Replacement parts list for the 4-inch series models.
| Ref.# | Code # | TSP-4K | TSP-4VOFT | TSP4-18V | Description |
|---|---|---|---|---|---|
| 1 | 419600 | 1 | 1 | 1 | Check Valve Cover |
| 2 | 227090 | 4 | 4 | 4 | Bolt 5/8″UNC x 3″ Zinc Plated |
| 3 | 225980 | 1 | 1 | 1 | Bolt 5/16″UNC x 1″ Zinc Plated |
| 4* | 016670 | 1 | 1 | 1 | Check Valve Weight |
| 5* | 191460 | 1 | 1 | 1 | Rubber Valve |
| 6* | 019610 | 1 | 1 | 1 | Check Valve Weight |
| 7 | 227820 | 1 | 1 | 1 | Nut 5/16″UNC Zinc Plated |
| 8 | 170490 | 4 | 4 | 4 | Stud 7/16″UNC x 1-3/4″ Zinc Plated |
| 9 | 201957 | 1 | Engine Kohler 16HP | ||
| 201934 | 1 | Engine Vanguard 18HP | |||
| 201941 | 1 | Engine Vanguard 18HP with integrated fuel tank | |||
| 10* | 190849 | 1 | 1 | 1 | Flinger |
| 11 | 176240 | 4 | 4 | 4 | Washer Spring 7/16″ Zinc Plated |
| 12 | 227840 | 4 | 4 | 4 | Nut 7/16″UNC Zinc Plated |
| 13 | 465018 | 1 | Adapter | ||
| 465145 | 1 | 1 | Adapter | ||
| 14* | 240396 | 1 | 1 | 1 | Mechanical seal 1-3/8″ dia |
| 15* | 190725 | 1 | 1 | 1 | Gasket |
| 16* | 465504 | 1 | Sleeve | ||
| 465147 | 1 | 1 | Sleeve | ||
| 17* | 175533 | As Required | Shim 1.006×1.50x.015 | ||
| 175534 | Shim 1.006×1.50x.031 | ||||
| 18 | 227850 | 4 | 4 | 4 | Nut 1/2″UNC Zinc Plated |
| 19 | 176250 | 4 | 4 | 4 | Washer Spring 1/2″ Zinc Plated |
| 20 | 227830 | 17 | 16 | 16 | Nut 3/8″UNC Zinc Plated |
| 227820 | 1 | 4 | 4 | Nut 5/16″UNC Zinc Plated | |
| 21 | 176230 | 17 | 16 | 16 | Washer Spring 3/8″ Zinc Plated |
| 176220 | 4 | 4 | Washer Spring 5/16″ Zinc Plated | ||
| 22 | 465041 | 1 | Support Angle | ||
| 465148 | 1 | 1 | Support Cross Brace | ||
| 23 | 465049 | 1 | 1 | 1 | Support Plate |
| 24 | 170641 | 10 | 10 | 10 | Stud 1/2″UNC x 1-3/4″ Zinc Plated |
| 25 | 465064 | 1 | Impeller | ||
| 465146 | 1 | 1 | Impeller | ||
| 26 | 173000 | 3 | 3 | 3 | Stud 3/8″UNC x 2″SST |
| 27 | 465094 | 1 | 1 | 1 | Rear Casing |
| 28 | 465006 | 1 | 1 | 1 | Volute |
| 29* | 190726 | 1 | 1 | 1 | Seal |
| 30 | 174986 | 17 | 16 | 16 | Washer Plain 3/8″ Zinc Plated |
| 174990 | 4 | 4 | Washer Plain 5/16″ Zinc Plated | ||
| 31 | 226230 | 5 | 1 | 1 | Bolt 3/8″UNC x 1-1/2″ Zinc Plated |
| 226010 | 4 | 4 | Bolt 5/16″UNC x 1-3/4″ Zinc Plated | ||
| 32* | 198163 | 1 | 1 | 1 | O-Ring #386 |
| 33 | 176690 | 6 | 6 | 6 | Tooth Lock Washer 1/2″ Zinc Plated |
| 34* | 465046 | 6 | 6 | 6 | Butterfly Nut – special |
| 35 | 465033 | 1 | 1 | 1 | Front Casing |
| 36 | 185650 | 2 | 2 | 2 | Plug 3/4″NPTF Zinc Plated |
| 37 | 226210 | 12 | 15 | 15 | Bolt 3/8″UNC x 1″ Zinc Plated |
| 38 | 465035 | 1 | 1 | 1 | L.H. Channel |
| 39 | 465034 | 1 | 1 | 1 | R.H. Channel |
| 40 | 176500 | 3 | 3 | 3 | Washer Spring 3/8″SST |
| 41 | 225826 | 3 | 3 | 3 | Nut 3/8″UNC SST |
| N/S | 265280 | 1 | 1 | 1 | Strainer |
