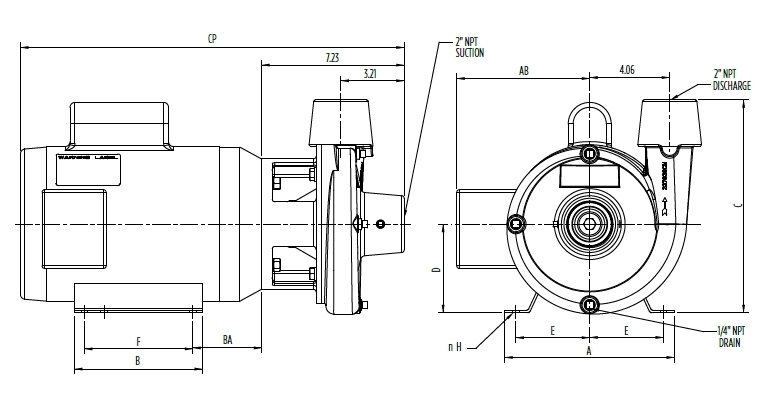
FAC Pump (3–5 HP) Dimensions

Get a Fast Quote from a Pump Specialist
Click to rate this post!
[Total: 0 Average: 0]

FAC-3-5-HP-dimension

HP

PH

Dis. x Suc. (NPT)

Dimensions (in)

A B C D E F n H AB BA CP

3

1

2″ x 2″

8.63

6.50

10.81

4.50

3.75

5.50

0.41

6.75

3.50

19.48

3

6.50

5.94

9.81

3.50

2.75

5.00

0.34

5.12

2.88

16.73

5

1

2” x 2”

8.63

6.50

10.81

4.50

3.75

5.50

0.41

6.75

3.50

19.48

3

8.63

6.50

10.81

4.50

3.75

5.50

0.41

5.12

3.50

18.61