Monarch ACGF-11SDH Engine Driven Pump & Repair Parts
Monarch ACGF-11SDH Engine Driven Pump
The Monarch ACGF-11SDH is a powerhouse in the ACGF-SD Series, engineered for professionals requiring reliable and high-pressure fluid transfer. Powered by the legendary 11 HP Honda GX340 engine, this end-suction centrifugal pump delivers exceptional performance for agricultural spraying, booster applications, and firefighting where dependable operation under pressure is essential.
Constructed with a rugged cast iron casing and a durable cast iron impeller, the Monarch ACGF-11SDH Engine Driven Pump is built to withstand the rigors of daily industrial use. It features superior sealing technology with Viton and stainless steel components, ensuring broad compatibility with agricultural chemicals and providing long-lasting corrosion resistance throughout the life of the pump.
Key Features & Benefits
- Industrial Honda Power: Driven by an internationally renowned Honda GX340 (11 HP) engine. This commercial-grade engine ensures dependable worldwide service and starts easily every time.
- Low Oil Protection: Equipped with a Low Oil Shut Off sensor that automatically stops the engine if oil levels drop, preventing catastrophic damage.
- Chemical Resistant: The pump utilizes a Viton and stainless steel mechanical seal, offering excellent resistance to corrosion from harsh agricultural chemicals and fertilizers.
- High-Pressure Boosting: The thick-walled cast iron casing is designed to handle high internal pressures, making it ideal for booster service and long-distance water transfer.
- Standard Connections: Features 2-inch NPT suction and discharge ports, allowing for easy integration with standard piping and hoses.
- Robust Mounting: A stamped steel base protects the pump and engine unit while facilitating easy, secure mounting to truck beds, skids, or trailers.
Applications
The Monarch ACGF-11SDH is designed for demanding environments, including:
- Fire Fighting: Reliable high-pressure output for emergency suppression.
- Agricultural Spraying: Chemical-resistant seals make it perfect for pesticide and fertilizer application.
- Irrigation Boosting: Provides the necessary head pressure for sprinkler systems.
- Equipment Washdown: powerful stream for cleaning heavy machinery.
Technical Specifications
Pump & Engine Data
| Model No. | Item No. | HP | Suct. NPT | Disch. NPT | Engine Description | Low Oil Shut Off |
|---|---|---|---|---|---|---|
| ACGF-5SD | 615103 | 5 1/2 | 2″ | 2″ | Briggs & Stratton INTEK, with 3 qt. fuel tank. | NO |
| ACGF-5SDH | 615115 | 5 1/2 | 2″ | 2″ | Honda, with 4 qt. fuel tank. | YES |
| ACGF-8SD | 615109 | 8 | 2″ | 2″ | Briggs & Stratton INTEK, with 4 qt. fuel tank. | NO |
| ACGF-8SDH | 615117 | 9 | 2″ | 2″ | Honda, with 6 qt. fuel tank. | YES |
| ACGF-11SDH | 614170 | 11 | 2″ | 2″ | Honda GX340 | YES |
| ACGF-18SDH | 614172 | 18 | 2 1/2″ | 2 1/2″ | Honda GX610, electric start. | YES |
Performance Chart
| Model No. | 10 PSI | 20 PSI | 30 PSI | 40 PSI | 50 PSI | 60 PSI | 70 PSI | 80 PSI | 90 PSI | 100 PSI |
|---|---|---|---|---|---|---|---|---|---|---|
| ACGF-5 | – | 115 | 98 | 75 | 52 | 24 | – | – | – | – |
| ACGF-8 | – | 165 | 155 | 140 | 122 | 95 | 60 | 24 | – | – |
| ACGF-11 | 182 | 175 | 165 | 155 | 140 | 125 | 100 | 81 | 55 | 25 |
| ACGF-18 | 270 | 265 | 260 | 250 | 235 | 210 | 190 | 160 | 125 | 87 |
Dimensional Outline
| Model No. | Suction A (NPT) | Discharge B (NPT) | Drain C (NPT) | 4 Holes Dia. D | E | F | G | H | J | K | L | M | N | P | Q | R | S | U |
|---|---|---|---|---|---|---|---|---|---|---|---|---|---|---|---|---|---|---|
| ACGF-5SD | 2 | 2 | 1/4 | 0.41 | 3.68 | 4.82 | 4.28 | 16.50 | 4.10 | 5.70 | 11.40 | 15.90 | 0.28 | 10.80 | 16.40 | 16.30 | 11.00 | 4.92 |
| ACGF-8SD | 2 | 2 | 1/4 | 0.41 | 5.75 | 6.13 | 6.50 | 19.50 | 3.32 | 5.50 | 10.90 | 17.50 | 0.63 | 13.50 | 19.60 | 16.80 | 17.60 | 6.38 |
| ACGF-11SDH | 2 | 2 | 1/4 | 0.41 | 5.52 | 6.05 | 6.36 | 20.35 | 4.25 | 6.06 | 11.61 | 18.13 | .17 | 13.50 | 17.00 | – | 12.38 | 6.32 |
| ACGF-18SDH | 2 1/2 | 2 1/2 | 1/4 | 0.44 | – | – | 10.50 | 18.25 | 4.78 | 6.59 | 7.75 | 28.00 | 6.88 | 24.00 | 46.00 | – | 16.00 | 9.38 |
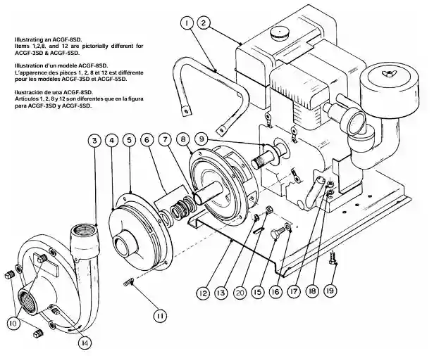
Repair Parts List: ACGF-SD Series
End Suction Centrifugal Pumps (Gas Engine Driven)
Model Key:
- a = ACGF-3SD
- b = ACGF-5SD, ACGF-5SDH
- c = ACGF-8SD, ACGF-8SDH
- d = 5ACGF-3SD, 5ACGF-3SDH
| Ref.# | Code # | a | b | c | d | Description |
|---|---|---|---|---|---|---|
| 1 | 433181 | 1 | 1 | 1 | Handle | |
| 1 | 437799 | 1 | 1 | 1 | Handle (irregular shape) | |
| 1 | 433180 | 1 | Handle | |||
| 1 | 433183 | 1 | Handle | |||
| 1 | 433185 | 1 | Handle | |||
| 1 | 433186 | 1 | 1 | Handle | ||
| 2 | 201915 | 1 | 1 | Engine B & S 5 HP | ||
| 2 | 201918 | 1 | Engine B & S 8 HP | |||
| 2 | 201950 | 1 | Engine B & S 3.5 HP | |||
| 2 | 202001 | 1 | 1 | Engine Honda 5.5 HP | ||
| 2 | 202002 | 1 | Engine Honda 9 HP | |||
| 3 | 437833 | 1 | 1 | Casing 1-1/4 x 1-1/2 | ||
| 3 | 437831 | 1 | 1 | 1 | Casing 1-1/2 x 2 | |
| 3** | 437839 | 1 | 1 | Casing 2 x 2 | ||
| 4 | 433171 | 1 | 1 | Impeller 5.3 dia. 5/8″ thread | ||
| 4 | 433142 | 1 | 1 | Impeller 6.1 dia. 5/8″ thread | ||
| 4 | 437788 | 1 | Impeller 6.4 dia. 1″ thread | |||
| 5* | 193917 | 1 | 1 | Gasket 1/32″ thick | ||
| 5* | 198996 | 1 | 1 | 1 | “O” Ring | |
| 6* | 240344 | 1 | 1 | 1 | Mechanical Seal 3/4 I.D. | |
| 6* | 240359 | 1 | Mechanical Seal 1-1/4 I.D. | |||
| 7 | 266000 | 1 | 1 | 1 | Sleeve 3/4 O.D. 1.6″ long | |
| 7 | 266005 | 1 | Sleeve 1-1/4 O.D. 2.1″ long | |||
| 8 | 437793 | 1 | 1 | Adapter | ||
| 8 | 437771 | 1 | 1 | Adapter | ||
| 8 | 437792 | 1 | Adapter | |||
| 9* | 191142 | 1 | 1 | Flinger | ||
| 9* | 191141 | 1 | 1 | Flinger | ||
| 9* | 194140 | 1 | Flinger | |||
| 9* | 191272 | 1 | Flinger | |||
| 10 | 185620 | 2 | 3 | 3 | 3 | Drain Plug 1/4″ NPT Galv. |
| 11 | 172981 | 4 | 4 | 4 | 4 | Stud 3/8 UNC x 1 1/2 SST |
| 12 | 414140 | 1 | 1 | 1 | Baseplate | |
| 12 | 414141 | 1 | 1 | Baseplate (with indentation) | ||
| 12 | 414143 | 1 | Baseplate | |||
| 12 | 414151 | 1 | 1 | Baseplate | ||
| 13 | 176230 | 4 | 4 | 4 | 4 | Spring washer 3/8 Zn. Pl. |
| 14 | 185910 | 1 | 1 | Pipe Plug 1/8″ | ||
| 15 | 225963 | 4 | 4 | 4 | Bolt 5/16 UNF x 3/4 SST | |
| 15 | 225971 | 2 | Bolt 5/16 UNC x 7/8 | |||
| 15 | 269690 | 2 | Bolt 5/16 UNF x 1 Zn. Pl. | |||
| 16 | 199001 | 4 | 4 | 4 | Seal washer TW 5/16″ | |
| 16 | 176220 | 4 | 8 | 4 | Spring washer 5/16 Zn. Pl. | |
| 17 | 227820 | 4 | 4 | 4 | 4 | Nut 5/16 UNC Zn. Pl. |
| 18 | 174990 | 4 | Spring washer 5/16 Zn. Pl. (Honda only) | |||
| 18 | 176220 | 4 | 4 | 8 | 4 | Spring washer 5/16 Zn. Pl. |
| 19 | 226000 | 4 | 4 | 4 | 4 | Bolt 5/16 UNC x 1-1/2 Zn. Pl. |
| 19 | 226010 | 4 | Bolt 5/16 UNC x 1-3/4 Zn. Pl. | |||
| 20 | 227830 | 4 | 4 | 4 | 4 | Nut 3/8 Zn. Pl. |
Frequently Asked Questions
Which engine comes with the Monarch ACGF-11SDH?
The ACGF-11SDH is powered by the commercial-grade Honda GX340 (11 HP) gasoline engine.
Does the Honda GX340 engine have a low oil sensor?
Yes, this model features a Low Oil Shut Off system that automatically cuts the engine if oil levels are unsafe.
What are the connection sizes for suction and discharge?
The pump is equipped with 2-inch NPT threaded connections for both the suction and discharge ports.
Is this pump suitable for agricultural chemicals?
Yes, the ACGF series uses a Viton and stainless steel mechanical seal, specifically chosen for its excellent resistance to agricultural chemicals.
