Monarch ACGF-3SD Gas Engine Driven Pump & Repair Parts
Monarch ACGF-3SD Gas Engine Driven Pump
The Monarch ACGF-3SD is the most compact and portable unit in the renowned ACGF-SD Series. Designed for light-duty commercial and residential applications, this pump is powered by a reliable 3.5 HP Briggs and Stratton engine, offering the perfect solution for users who need the durability of cast iron construction in a lightweight and easily transportable package.
Unlike its larger counterparts, the Monarch ACGF-3SD Gas Engine Driven Pump is specifically engineered for smaller scale water transfer tasks where mobility is essential. It features a specific casing size of 1-1/4 inch by 1-1/2 inch, optimized for the 3.5 HP engine to ensure efficient flow without the bulk of larger models. Despite its compact size, the ACGF-3SD retains the series signature Viton and stainless steel mechanical seal, making it capable of handling mild agricultural chemicals with reliable corrosion resistance.
Key Features & Benefits
- Efficient Power: Driven by a 3.5 HP Briggs & Stratton engine, providing ample power for general water transfer and drainage tasks while maintaining fuel efficiency.
- Maximum Portability: Weighing significantly less than other models in the series and equipped with a built-in carrying handle, this pump is designed to be moved easily by a single person.
- Durable Construction: Features a rugged cast iron casing and impeller, offering superior durability compared to plastic or aluminum consumer-grade pumps.
- Chemical Resistance: Equipped with a Viton and stainless steel mechanical seal, ensuring the pump resists corrosion from fertilizers and pesticides.
- Compact Plumbing: Designed with 1-1/4″ x 1-1/2″ ports (refer to parts list Ref #3), optimized for smaller hose lines and fittings.
- Stable Operation: Mounted on a stamped steel base that protects the engine and pump components while dampening vibration.
Applications
The Monarch ACGF-3SD is the ideal choice for:
- General Water Transfer: Draining small ponds, pools, or flooded basements.
- Light Irrigation: Watering gardens or small plots.
- Spot Spraying: Mobile agricultural spraying where a lightweight pump is required.
- Utility Use: A reliable standby pump for homeowners and maintenance crews.
Technical Specifications
Pump & Engine Data (Series Overview)
| Model No. | Item No. | HP | Suct. NPT | Disch. NPT | Engine Description | Low Oil Shut Off |
|---|---|---|---|---|---|---|
| ACGF-5SD | 615103 | 5 1/2 | 2″ | 2″ | Briggs & Stratton INTEK, with 3 qt. fuel tank. | NO |
| ACGF-5SDH | 615115 | 5 1/2 | 2″ | 2″ | Honda, with 4 qt. fuel tank. | YES |
| ACGF-8SD | 615109 | 8 | 2″ | 2″ | Briggs & Stratton INTEK, with 4 qt. fuel tank. | NO |
| ACGF-8SDH | 615117 | 9 | 2″ | 2″ | Honda, with 6 qt. fuel tank. | YES |
| ACGF-11SDH | 614170 | 11 | 2″ | 2″ | Honda GX340 | YES |
| ACGF-18SDH | 614172 | 18 | 2 1/2″ | 2 1/2″ | Honda GX610, electric start. | YES |
Performance Chart
| Model No. | 10 PSI | 20 PSI | 30 PSI | 40 PSI | 50 PSI | 60 PSI | 70 PSI | 80 PSI | 90 PSI | 100 PSI |
|---|---|---|---|---|---|---|---|---|---|---|
| ACGF-5 | – | 115 | 98 | 75 | 52 | 24 | – | – | – | – |
| ACGF-8 | – | 165 | 155 | 140 | 122 | 95 | 60 | 24 | – | – |
| ACGF-11 | 182 | 175 | 165 | 155 | 140 | 125 | 100 | 81 | 55 | 25 |
| ACGF-18 | 270 | 265 | 260 | 250 | 235 | 210 | 190 | 160 | 125 | 87 |
Dimensional Outline
| Model No. | Suction A (NPT) | Discharge B (NPT) | Drain C (NPT) | 4 Holes Dia. D | E | F | G | H | J | K | L | M | N | P | Q | R | S | U |
|---|---|---|---|---|---|---|---|---|---|---|---|---|---|---|---|---|---|---|
| ACGF-5SD | 2 | 2 | 1/4 | 0.41 | 3.68 | 4.82 | 4.28 | 16.50 | 4.10 | 5.70 | 11.40 | 15.90 | 0.28 | 10.80 | 16.40 | 16.30 | 11.00 | 4.92 |
| ACGF-8SD | 2 | 2 | 1/4 | 0.41 | 5.75 | 6.13 | 6.50 | 19.50 | 3.32 | 5.50 | 10.90 | 17.50 | 0.63 | 13.50 | 19.60 | 16.80 | 17.60 | 6.38 |
| ACGF-11SDH | 2 | 2 | 1/4 | 0.41 | 5.52 | 6.05 | 6.36 | 20.35 | 4.25 | 6.06 | 11.61 | 18.13 | .17 | 13.50 | 17.00 | – | 12.38 | 6.32 |
| ACGF-18SDH | 2 1/2 | 2 1/2 | 1/4 | 0.44 | – | – | 10.50 | 18.25 | 4.78 | 6.59 | 7.75 | 28.00 | 6.88 | 24.00 | 46.00 | – | 16.00 | 9.38 |
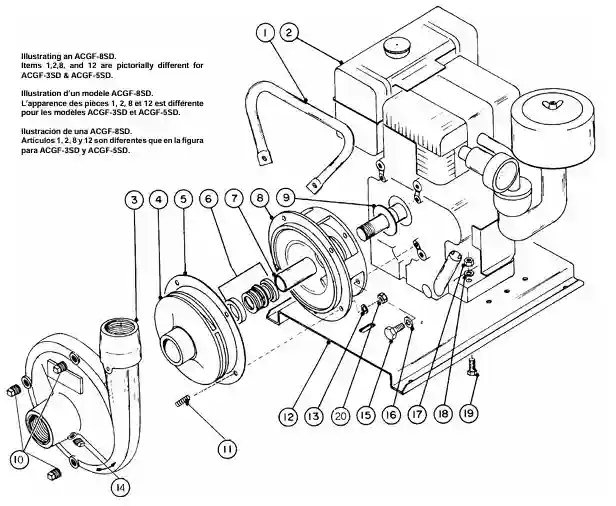
Repair Parts List: ACGF-3SD
End Suction Centrifugal Pumps (Gas Engine Driven)
Model Key:
- a = ACGF-3SD
- b = ACGF-5SD, ACGF-5SDH
- c = ACGF-8SD, ACGF-8SDH
- d = 5ACGF-3SD, 5ACGF-3SDH
| Ref.# | Code # | a | b | c | d | Description |
|---|---|---|---|---|---|---|
| 1 | 433181 | 1 | 1 | 1 | Handle | |
| 1 | 437799 | 1 | 1 | 1 | Handle (irregular shape) | |
| 1 | 433180 | 1 | Handle | |||
| 1 | 433183 | 1 | Handle | |||
| 1 | 433185 | 1 | Handle | |||
| 1 | 433186 | 1 | 1 | Handle | ||
| 2 | 201915 | 1 | 1 | Engine B & S 5 HP | ||
| 2 | 201918 | 1 | Engine B & S 8 HP | |||
| 2 | 201950 | 1 | Engine B & S 3.5 HP | |||
| 2 | 202001 | 1 | 1 | Engine Honda 5.5 HP | ||
| 2 | 202002 | 1 | Engine Honda 9 HP | |||
| 3 | 437833 | 1 | 1 | Casing 1-1/4 x 1-1/2 | ||
| 3 | 437831 | 1 | 1 | 1 | Casing 1-1/2 x 2 | |
| 3** | 437839 | 1 | 1 | Casing 2 x 2 | ||
| 4 | 433171 | 1 | 1 | Impeller 5.3 dia. 5/8″ thread | ||
| 4 | 433142 | 1 | 1 | Impeller 6.1 dia. 5/8″ thread | ||
| 4 | 437788 | 1 | Impeller 6.4 dia. 1″ thread | |||
| 5* | 193917 | 1 | 1 | Gasket 1/32″ thick | ||
| 5* | 198996 | 1 | 1 | 1 | “O” Ring | |
| 6* | 240344 | 1 | 1 | 1 | Mechanical Seal 3/4 I.D. | |
| 6* | 240359 | 1 | Mechanical Seal 1-1/4 I.D. | |||
| 7 | 266000 | 1 | 1 | 1 | Sleeve 3/4 O.D. 1.6″ long | |
| 7 | 266005 | 1 | Sleeve 1-1/4 O.D. 2.1″ long | |||
| 8 | 437793 | 1 | 1 | Adapter | ||
| 8 | 437771 | 1 | 1 | Adapter | ||
| 8 | 437792 | 1 | Adapter | |||
| 9* | 191142 | 1 | 1 | Flinger | ||
| 9* | 191141 | 1 | 1 | Flinger | ||
| 9* | 194140 | 1 | Flinger | |||
| 9* | 191272 | 1 | Flinger | |||
| 10 | 185620 | 2 | 3 | 3 | 3 | Drain Plug 1/4″ NPT Galv. |
| 11 | 172981 | 4 | 4 | 4 | 4 | Stud 3/8 UNC x 1 1/2 SST |
| 12 | 414140 | 1 | 1 | 1 | Baseplate | |
| 12 | 414141 | 1 | 1 | Baseplate (with indentation) | ||
| 12 | 414143 | 1 | Baseplate | |||
| 12 | 414151 | 1 | 1 | Baseplate | ||
| 13 | 176230 | 4 | 4 | 4 | 4 | Spring washer 3/8 Zn. Pl. |
| 14 | 185910 | 1 | 1 | Pipe Plug 1/8″ | ||
| 15 | 225963 | 4 | 4 | 4 | Bolt 5/16 UNF x 3/4 SST | |
| 15 | 225971 | 2 | Bolt 5/16 UNC x 7/8 | |||
| 15 | 269690 | 2 | Bolt 5/16 UNF x 1 Zn. Pl. | |||
| 16 | 199001 | 4 | 4 | 4 | Seal washer TW 5/16″ | |
| 16 | 176220 | 4 | 8 | 4 | Spring washer 5/16 Zn. Pl. | |
| 17 | 227820 | 4 | 4 | 4 | 4 | Nut 5/16 UNC Zn. Pl. |
| 18 | 174990 | 4 | Spring washer 5/16 Zn. Pl. (Honda only) | |||
| 18 | 176220 | 4 | 4 | 8 | 4 | Spring washer 5/16 Zn. Pl. |
| 19 | 226000 | 4 | 4 | 4 | 4 | Bolt 5/16 UNC x 1-1/2 Zn. Pl. |
| 19 | 226010 | 4 | Bolt 5/16 UNC x 1-3/4 Zn. Pl. | |||
| 20 | 227830 | 4 | 4 | 4 | 4 | Nut 3/8 Zn. Pl. |
Frequently Asked Questions
What engine is on the Monarch ACGF-3SD?
The ACGF-3SD is equipped with a 3.5 HP Briggs & Stratton gasoline engine.
What size are the suction and discharge ports on this specific model?
According to the parts list, the ACGF-3SD features a casing with 1-1/4″ x 1-1/2″ dimensions, which differs from the larger 2″ ports found on the rest of the series.
Is this pump easy to transport?
Yes, the ACGF-3SD is the smallest and lightest in the series and comes with a built-in carrying handle for maximum portability.
Does the ACGF-3SD have the same chemical resistance as the larger pumps?
Yes, despite its smaller size, it utilizes the same Viton and stainless steel mechanical seal as the larger models, offering excellent resistance to agricultural chemicals.
