Franklin Electric Centrifugal GAS Engine FTSP Water Pump
Franklin Electric Centrifugal GAS Engine FTSP Water Pump is engineered for demanding environments, featuring a durable ductile iron volute with integrated priming and drain plugs for easy maintenance. Its semi-open cast iron impeller handles solids efficiently, while the built-in check valve ensures quick priming. Powered by a reliable Briggs & Stratton Vanguard, Honda, or Kohler engine with adjustable throttle controls, this pump offers flexible operation for irrigation, construction, and municipal use.
FEATURES
- Volute: Ductile iron rugged construction. Self-priming with priming and drain plugs. Removable front cover features a built-in check valve to facilitate priming
- Impeller: Cast iron semi-open, two vane type, capable of handling spherical solids
- Mechanical Seal: Silicon Carbide/Silicon Carbide faces, Buna elastomers
- Engine: Industry-recognized Briggs and Straton Vanguard, or Honda and Kohler-equipped with adjustable throttle controls
- Mounting: Horizontal position
SPECIFICATIONS
- Capacities: to 615 gpm
- Heads: to 100 feet
- Working Pressure: 150 psi max
- Temperature: 212 ˚F max
- Rotation: clockwise viewed from engine side
- Pipe Connections: NPT
APPLICATIONS
- Irrigation
- Construction
- Mining
- Commercial
- Municipal
- Light Industrial
| Pumps | Discharge | Suction |
|---|---|---|
| FTSP-2HRF* | 2″ | 2″ |
| FTSP-3HRF* | 3″ | 3″ |
| FTSP3DRF-ES | 3″ | 3″ |
| FTSP4-18V | 4″ | 4″ |
NOTE: * Franklin Electric Centrifugal GAS Engine FTSP-2HRF, FTSP-3HRF and FTSP-3DRF-ES include roll frames.
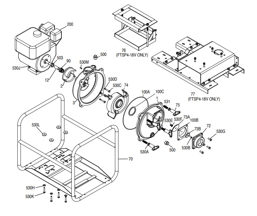
FTSP EXPLODED PARTS
FTSP MATERIALS AND PARTS / REPLACEMENT PARTS / REPAIR PARTS
| Fig. No. | Part Description | Repair No. | Materials of Construction | |||
|---|---|---|---|---|---|---|
| FTSP-2 | FTSP-3 | FTSP-3D | FTSP-4 | |||
| 1 | FTSP Front Casing | 305458001 | 305458002 | 305458003 | Cast Iron, ASTM-A48 CL30 | |
| 2 | FTSP Impeller | 305458004 | 305458005 | 305458006 | Cast Iron, ASTM-A48 CL30 | |
| Not Shown | FTSP Shims | N/A | 305458028 | |||
| 3 | FTSP Rear Casing | 305458007 | 305458008 | 305458009 | Cast Iron, ASTM-A48 CL30 | |
| Not Shown | FTSP Engine Adapter | N/A | 305458024 | Ductile Iron, ASTM-A536 65-45-12 | ||
| 12 | FTSP Mech. Seal Shaft Sleeve | 305458010 | 305458011 | 305458012 | 416 Stainless Steel | |
| 70 | FTSP Roll Frame | 305458013 | 305458026 | N/A | CRS | |
| 72 | FTSP Check Valve | 305455010 | 305458015 | 305454020 | Cast Iron, ASTM-A48 CL30 | |
| 73A | FTSP Top Weight- Check Valve | 305455011 | 305458016 | 305454023 | Cast Iron, ASTM-A48 CL30 | |
| 73B | FTSP Bottom Weight – Check Valve | 305455012 | 305463108 | 305454025 | Cast Iron, ASTM-A48 CL30 | |
| 74 | FTSP Volute | 305458017 | 305458018 | 305458019 | Cast Iron, ASTM-A48 CL30 | |
| 75 | FTSP T-Handle Fasteners | 305458020 | Cast Iron, ASTM-A48 CL30 | |||
| 76 | FTSP Battery Holder Assembly | N/A | 305457008 | CRS | ||
| 77 | FTSP Pump Frame Assembly | N/A | 305458014 | CRS | ||
| 90 | FTSP Mechanical Shaft Seal | 305463094 | 305463095 | 305463096 | SiC/SiCxBUNA-SS | |
| 100A | FTSP Case O-ring | 305463097 | 305463098 | 305463099 | Nitrile | |
| 100B | FTSP Flapper Valve | 305454043 | 305458021 | 305454045 | Neoprene | |
| 100C | FTSP Square-Ring – Volute | 305463100 | 305463101 | 305463102 | Nitrile | |
| 100D | FTSP Motor Flange Gasket | N/A | 305463103 | NA60 | ||
| 200 | FTSP Engine | See Engines Below | Misc. | |||
| 500 | FTSP Pipe Plug 3/4″ (2 Req.) | 305463050 | Cad-Plated Steel | |||
| 503 | FTSP Water Slinger | 305458022 | 305456009 | 305457010 | Neoprene | |
| 530A | FTSP Lockwasher – T-handle (4 Req.) | 305463104 | Zinc-Plated Steel | |||
| 530B | FTSP Flapper Bolt | 305463056 | 305463105 | 305463058 | Zinc-Plated Steel | |
| 530C | FTSP Hex Bolt – Motor Adapter (4 Req.) | 305463106 | N/A | 305463110 | Zinc-Plated Steel | |
| Not Shown | FTSP Stud – Engine | N/A | 305463093 | Zinc-Plated Steel | ||
| Not Shown | FTSP Washer – Engine | N/A | 305463235 | 305463164 | Zinc-Plated Steel | |
| Not Shown | FTSP Nut – Engine | N/A | 305463236 | 305463264 | Zinc-Plated Steel | |
| Not Shown | FTSP Stud, Rear Case | N/A | 305463089 | Zinc-Plated Steel | ||
| Not Shown | FTSP Lock Washer, Rear Case | N/A | 305463060 | Zinc-Plated Steel | ||
| Not Shown | FTSP Nut, Rear Case | N/A | 305463059 | Zinc-Plated Steel | ||
| 530D | FTSP Collar Seal – Motor Adapter (4 Req.) | 305463107 | N/A | Nylon | ||
| 530E | FTSP Nut, Flapper | 305463061 | N/A | Zinc-Plated Steel | ||
| 530F | FTSP Washer, Flapper | 305463063 | N/A | Zinc-Plated Steel | ||
| 530G | FTSP Valve Hex Cap Screw (4 Req.) | 305463010 | 305463064 | 305463065 | Zinc-Plated Steel | |
| 530H | FTSP Washer – base (4 Req.) | 305463108 | 305463109 | Zinc-Plated Steel | ||
| Not Shown | FTSP Lockwasher, Base | 35463092 | 305463092 | Zinc-Plated Steel | ||
| 530J | FTSP Hex Nut – base (4 Req.) | 305463062 | Zinc-Plated Steel | |||
| 530K | FTSP Hex Bolt – base (4 Req.) | 305463090 | 305463111 | 305463237 | 305463090 | Zinc-Plated Steel |
| 530L | FTSP Isolator Washer – base (4 Req.) | 305463112 | N/A | Rubber | ||
| Not Shown | FTSP Volute Roll Pin | 305463113 | N/A | 303 Stainless Steel | ||
| Not Shown | FTSP Stud – Volute | N/A | 305463114 | 305463115 | 18-8 Stainless Steel | |
| Not Shown | FTSP Lockwasher – Volute | N/A | 305463238 | 300 Stainless Steel | ||
| Not Shown | FTSP Nut – Volute | N/A | 305463239 | 300 Stainless Steel | ||
| 531 | FTSP Stud – Front Casing | 305463089 | Zinc-Plated Steel | |||
| Replacement Pump End Only | |||
|---|---|---|---|
| Pump Size (Dis. x Suc.) | Model Description | Order Number | Wt. |
| 2 x 2 | FTSP2-K | 90280005 | 74 |
| 3 x 3 | FTSP3-K | 90280009 | 90 |
| 4 x 4 | FTSP4-K18V | 90280018 | 230 |
| 3 x 3 | FTSP-3D-K | 90289009 | 118 |
| Model | Replacement Engine Description | Engine Order Number |
|---|---|---|
| FTSP-2 | ENG. HONDA GX160UT1TX2 160cc OHV | 202001 |
| FTSP-3 | ENG. HONDA GX270UTPA2 270cc OHV | 202002 |
| FTSP-4 | ENG. B/S 356447-0191-B1 570CC | 201941 |
| FTSP-3D | ENG. KOHLER KD420-4001 442cc | 202065 |
FTSP ORDERING INFORMATION/ PUMP REPLACEMENT
| Pump Size (Dis. x Suc.) | CCs | Model Description | Engine Description | Order Number | Low Oil Shut-Off | Wt. |
|---|---|---|---|---|---|---|
| 2 x 2 | 160 | *FTSP-2HRF | Honda, with 0.8 gal. fuel tank | 90281005 | YES | 107 |
| 3 x 3 | 270 | *FTSP-3HRF | Honda, with 1.3 gal. fuel tank | 90281009 | YES | 151 |
| 3 x 3 | 442 | **FTSP-3DRF-ES | Kohler Diesel, with 1.3 gal. fuel tank | 90282009 | YES | 217 |
| 4 x 4 | 570 | **FTSP4-18V | Briggs & Stratton Vanguard, with 2.2 gal. fuel tank | 90281018 | NO | 355 |
NOTE: All weight in pounds. *FTSP-2HRF, FTSP-3HRF & FTSP-3DRF-ES include roll frames.
**Equipped with electric start. Battery and cables not included.
FTSP DIMENSIONS
| Model | HA | HB | HC | HJ | HM | ZY | Y | A | C | E | F |
|---|---|---|---|---|---|---|---|---|---|---|---|
| FTSP-2HRF | – | – | – | – | – | – | 6.72 | 20.30 | 25.00 | 21.50 | 9.71 |
| FTSP-3HRF | – | – | – | – | – | – | 6.93 | 20.30 | 25.00 | 21.50 | 11.22 |
| FTSP4-18V | 16.24 | 25.00 | 27.48 | 17.00 | 27.62 | 25.66 | 11.49 | – | – | – | – |
| FTSP-3DRF-ES | – | – | – | – | – | – | 6.49 | 23.94 | 25.00 | 23.50 | 12.21 |
NOTE: Dimensions are for estimating purposes only. All dimensions in inches.
DIMENSIONAL DRAWINGS-FTSP-2HRF, FTSP-3HRF, AND FTSP-3DRF-ES
DIMENSIONAL DRAWINGS-FTSP4-18V
FTSP PERFORMANCE CURVE
FTSP 1 | FTSP2 | FTSP3 | FTSP4 | FTSP-3D-K | Centrifugal | Gas Engine Units | Ag/Industrial/Municipal | Franklin Electric | FTSP Replacement Parts | FTSP Repair Parts | FTSP Order information | FTSP Dimensions | FTSP Exploded Parts view | Ken’s Distributing Company | TSP monarch Industries Pump | TSP Monarch Pump | FTSP Impeller | FTSP Seal | FTSP Sleeve



